Introduction

In this report, I will describe a practical A2 amplifier based on the 841 introduced last time. Actually, the goal of this amplifier design is to evaluate two distinctly different A2 amplifiers; the first is a simple 841 delivering slightly over 5 watts. However, I designed the circuit topology so that with some very simple circuit mods, I could change it into a SV572-160 amplifier providing about 8 to 10 watts.

The power supply used in the initial amp is designed to be capable of more current than the 841 needs. Also, I used a 5R4 rectifier. By replacing it with a 5AR4, about 40 additional volts is available from the high voltage supply, allowing more power from the bigger tube. The input and driver are run from regulated supplies. Merely changing the dropping resistor to the driver supply suffices for the 572 version. Then the other change is to change the filament source. For the 841, I developed a 7.5V DC source using a 6.3VAC 10A transformer. Then, with the 572-160s, I have the option of using 6.3VAC bypassing the DC circuit, or with some luck, the supply will deliver enough DC voltage at the higher current requirement of the 572s.

The Amplifier Schematic

Amplifier Description

There are a number of novel features in this amplifier. The input stage is a differential 8532 stage. However, if you notice, only the "input side" of the differential amplifier is actually used. The "right hand" 8532 merely provides a cathode load on the "left hand" 8532, avoiding the need for a cathode bypass capacitor, and its attendant sonic signature.

The amplifier is totally DC coupled. The only low frequency rolloff is due to the output transformer.

Incidentally, notice that the voltage at the grid of the cathode follower driving the 841 is near zero volts. One could then ask why the complication of adding the DC coupling, and the reference tube. Well, indeed I tried that, and the amp measured OK, but sounded VASTLY inferior to the DC coupled circuit. Distortion cancellation anyone?

Performance is actually pretty good. Darned good, in fact. As the circuit is drawn, sensitivity is about 1 volt for slightly over 5 watts output. Combined hum noise and crosstalk (measuring one channel with no input on it while the other is being driven to full output) is 0.5mV for a signal to noise ratio of 84 dB. See the power supply details for how that trick was pulled off!

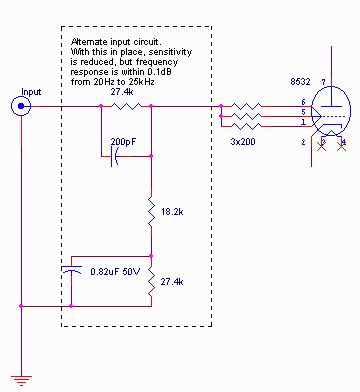
Frequency response is essentially strictly controlled by the transformer. As shown it measures 0.9 dB down at 20Hz and 20kHz. I did add an additional circuit, shown in the next section that improves this to 0.1 dB from 20Hz to 25 kHz. (I happen to like wide range, and didn't need all the gain!)

Distortion is primary second order, but you can see the effects of distortion cancellation occurring. Here's the plot:

Notice the distortion remains below 1% for any component up to about 5 watts, where clip starts to drive up the third order.

What's it sound like? (I'm listening to it as I type this). Wonderfully quiet, as expected from that S/N measurement. Unlike some amplifiers, this one LIKES to be played LOUD. Clipping is invisible until well into clip. The "likes to be played loud" seems to be a characteristic of A2 amplifiers. It's not that it sounds bad soft, but it seems to come into its own at higher volume levels. (Command Classics vinyl version of Capriccio Espagnol playing and it sounds marvelous).

I'll take this to work for an audition next chance I get.

In terms of construction, if you decide to build something like this thing, get the supply working with the driver stages first, then set the idle before plugging in the output tubes. I did have one "fault" show up that actually placed +56 volts on the grid of the 841s. (Interestingly, at 400 volts and lots of current, hum was still low, but the 841 DID start to glow!)

Input Circuit Mod

As I mentioned, I like wide band. Sooooo, here's a simple modification to the input circuit to compensate for the output transformer response. This extends the response from 0.9 dB down at 20Hz and 20 kHz to 0.1 dB from 20 Hz to 25 kHz:

Power Supply

There are a number of things I did that are a little unusual, but absolutely improve the performance of the amp due to power supply. Notice that each channel has its own high voltage filter and regulator. As you might remember from the "regulator series", the shunt regulators also tend to keep the unregulated supply a bit more constant by placing a minimum load on the circuit. Also note that the filament supplies are separate through the rectification as well.

Some additional things I also wanted to mention about this supply. The 3k resistors that feed the VR tube regulators are actually made up of a 5.1k 10 watt in parallel with 2 - 15k 3 watt resistors. The reason for this is that it allows me to easily re-set the current thru the regulators when I change to 5AR4 rectifier and up the voltage for the 572-160s. Also the 6.3V 10A filament transformer has a currently unused center tap. This allows me to supply 6.3VAC CT on the 572-160s if I like.

What's Next

There's a lot of additional things that can be done with these relatively simple circuits. I'll audition this amplifier, then ultimately convert it into a 572-160 version. I'm curious how it performs with respect to this one. In the next part of this series, I'll describe the results of the audition, and the conversion to 572.

-Steve

go to part 3